SG-50v Movax Unit
SG-50v Movax Unit

General information | |
---|---|
Overall length (without attachment) | 4470mm |
Overall length (with attachment) | 8920mm |
Overall height (with attachment) | 3180mm |
Cab height | 3140mm |
Upper structure overall width | 2990mm |
Swing (rear end) radius | 1720mm |
Clearance height under upper structure | 1020mm |
Minimum ground clearance | 440mm |
Wheel base (centre to centre of wheels) | 3660mm |
Crawler overall length | 4470mm |
Track gauge | 2390mm |
Undercarriage overall width (with 600mm shoes) | 2990mm |
Crawler tracks height | 920mm |

Performance data | |
---|---|
Boom length | 5700mm |
Bucket radius | 1450mm |
Bucket wrist action | 177° |
Maximum reach at GRP | 9180mm |
Maximum reach | 9370mm |
Maximum digging depth | 6120mm |
Maximum digging height | 10520mm |
Maximum dumping height | 7630mm |

Suitable piles | ||
---|---|---|
Sheet piles | H-beams | Tubes |
Width 400-1200mm | Size H180-H500 | Pipe clamps (which are fitted to sheet pile jaws): Ø90 - Ø250 mm |
"Depth" 265mm | 177° | Tube reducer (which are fitted to tube jaws): Ø193.7 - 610.0 mm |
Weight maximum 1400kg | Weight maximum 1400kg | Weight maximum 1400kg |
Length up to 18m | Length up to 18m | Length up to 18m |

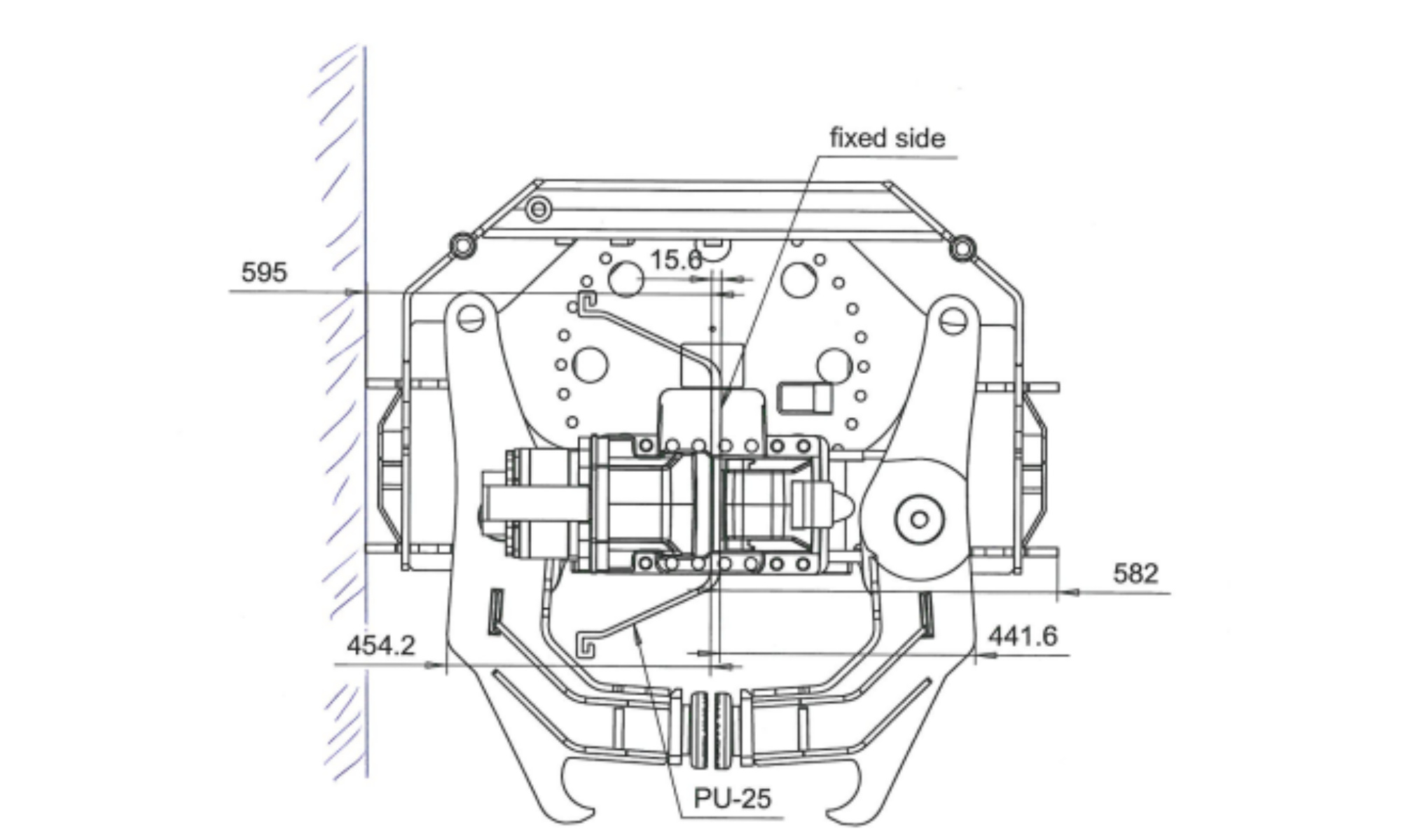
Technical data | ||||
---|---|---|---|---|
Piler type | SG-50 | SG-50V | SG-60 | SG-60V |
Weight without adapter | 2260-2680kg | |||
Height | 2468mm | |||
Depth | 1060-1383mm | |||
Width | 1192mm | |||
Excavator class | 23-30ton | 28-38ton | ||
Maximum return pressure | 5bar | |||
Pressure settings | 350bar | |||
Frequency | 2500-3000 1/min | |||
Centrifugal force | 500kN | 600kN | ||
Ground vibration | Normal | Low | Normal | Low |
Resonance free start and stop | No | Yes | No | Yes |
Driving method | Vibra | |||
swing / tilt angle | 360 / 30° |